PT1000 sensor

Hur ser ditt mät- och/eller hemautomations-system ut? Dela med dig av hur just Ditt projekt ser ut och fungerar, eller hur dina planer ser ut för framtiden. Att läsa om andra är bästa inspirationen.
Kategoriregler
Vill du visa bilder i ditt inlägg? Använd funktionen "Ladda upp bilaga" nedanför textrutan!
ace2
Wannabe
Inlägg: 12
Blev medlem: 24 mar 2011, 14:12
Ort: Strömsberg

PT1000 sensor

Inlägg av ace2 »

Jag undrar om det på något sätt går att koppla in PT1000 sensor i 1wire nät ?
larky
Moderator
Inlägg: 1166
Blev medlem: 01 feb 2008, 12:21
Ort: Skellefteå
Kontakt:

Re: PT1000 sensor

Inlägg av larky »

http://www.temperatur.nu/forum/hemautom ... -t653.html

Om jag får fråga, varför PT1000 och inte termoelement som det finns en färdig modul till?
ace2
Wannabe
Inlägg: 12
Blev medlem: 24 mar 2011, 14:12
Ort: Strömsberg

Re: PT1000 sensor

Inlägg av ace2 »

Har redan de elmenten tyckte det va dumt att köpa nya
ace2
Wannabe
Inlägg: 12
Blev medlem: 24 mar 2011, 14:12
Ort: Strömsberg

Re: PT1000 sensor

Inlägg av ace2 »

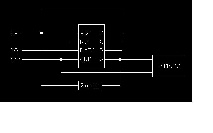
Skulle deta funka är det en redigt shema för att koppla en PT1000 till 1 wire via ds2450
Bilagor
pt1000 ds2450
pt1000 ds2450
ace2
Wannabe
Inlägg: 12
Blev medlem: 24 mar 2011, 14:12
Ort: Strömsberg

Re: PT1000 sensor

Inlägg av ace2 »

Eller går det att använda denna för att koppla in 4/st ?

https://www.m.nu/adomvandlare-4-kanaler ... p-455.html
sege
Tar hemautomation på allvar
Inlägg: 157
Blev medlem: 05 feb 2008, 11:36
Ort: Ingarö
Kontakt:

Re: PT1000 sensor

Inlägg av sege »

Fast blir inte det dyrare än att bara köpa ds18s20 direkt? För 250:- får du fem stycken ds18s20 för 'dyraste' priset på www.m.nu.
ace2
Wannabe
Inlägg: 12
Blev medlem: 24 mar 2011, 14:12
Ort: Strömsberg

Re: PT1000 sensor

Inlägg av ace2 »

Jag har ju redan sensorna så jag ser att det blir lika dyrt och så finns det en annan sak med de sensorna jag har passar i dykrören som jag har i mina tankar.
Användarvisningsbild
bertilson
Tar hemautomation på allvar
Inlägg: 133
Blev medlem: 21 dec 2009, 11:41
Ort: Borås

Re: PT1000 sensor

Inlägg av bertilson »

PT1000 är väl en betydligt bättre sensor än dehär 1-wire sensorerna dessutom.



Jag kommer inte ihåg helt hur PT1000 sensorn fungerar, men du har väl ett givet motstånd i den vid en viss temperatur va?

Och så som du kopplat så mäter du spänningsfallet över den. Men du vet väl inte strömmen?? Kan du verkligen räkna ut resistansen på den då?

Eller tänker jag fel?
Skriv svar