Sida 2 av 3
Postat: 18 apr 2008, 22:29
av finkman
Postat: 19 apr 2008, 12:25
av miktr
Perfekt! Tack så mycket för svaret, ska genast inhandla.
Re: Linux, wap och Tellstick
Postat: 11 jun 2008, 21:04
av Hoffan
Ang kopplingen här ovanför..
Om jag fattar det hela rätt så skall jag kunna göra precis samma sak med
en DS2405.. Rätt eller fel?
Jag har kopplat som exemplet, Å testkört med Dallas OneWireViewer.
men märker ingen skillnad på status..
Borde jag inte göra det på nått sätt.. Den hittar iaf sensorn.. men inte mer...
Tacksam för tips
Re: Linux, wap och Tellstick
Postat: 11 jun 2008, 21:06
av miktr
Jag kör med DS2405, och de funkar fint.
Ska dubbelkolla min koppling.
Återkommer..
Re: Linux, wap och Tellstick
Postat: 11 jun 2008, 21:10
av PerM
Är det så att du använt ett externt batteri för att själva brytarkretsen? Det är det enda jag kan tänka mig blir fel....det måste ju vara en gemensam jordpunkt.
Re: Linux, wap och Tellstick
Postat: 11 jun 2008, 21:19
av Hoffan
Nä jag kör med spänningen som kommer ur 1-wire hub....
För jag va oxå inne lite på det med gemensan jordpunkt...
Re: Linux, wap och Tellstick
Postat: 12 jun 2008, 13:16
av Hoffan
Tar tillbaka det jag skrev i min fråga innan...
Det va tydligen 5volten ut ur min hubb som glappade lite..
Så nu har jag lyckats få respons vid lägesändring...
Re: Linux, wap och Tellstick
Postat: 03 jul 2008, 01:42
av Plutonium
Hej
Jag har lödde enligt schemat ovan fast med ds2405..
När man matar den med 5v från en ds9490R så tappar owfs bort både ds2405 och ds9490R. Och när jag
inte matar den med 5v så finns båda i owfs men inget ändras när jag sluter kretsen..
Jag kom på mig själv vad jag gjorde för fel..
Re: Linux, wap och Tellstick
Postat: 03 jul 2008, 12:18
av zingo
finkman skrev:Jag ska väl delge lite av min 'success story'.. Jag har ganska länge styrt ganska många prylar med sånahära billiga trådlösa proove/nexa-strömbrytare.. Tellstick var ju ett måste-ha när jag fick nys om den, och jag köpte en från shop.temperatur.nu.
Vilka mottagare använder du?
Är det nån skillnad i kvalitet/funktion/räckvidd på olika mottagare? Jag har testat bla dom från prove men tycker det är dålig räckvidd på dom. Men det kan ju bero på sändaren också...
Jag har moddat en gammal provesändare så den går att styra från datorn men funderar på att byta hela härket till Telstick nu när det finns en sån, det gjorde det inte när jag byggde om min fjärrkontroll...
/c
Re: Linux, wap och Tellstick
Postat: 03 jul 2008, 21:53
av heliotropen
Hade tänkt kolla av dörren hemma mha en ds2406 TSOC-varianten. Denna har vad jag förstår dubbla ingångar och eftersom dörren har både vanligt lås plus ett tillhållarlås borde detta vara en enkel match. Tyvärr är jag inte tillräckligt mycke elektronikingenjör för att bara trixa ihop en sådan här lösning.
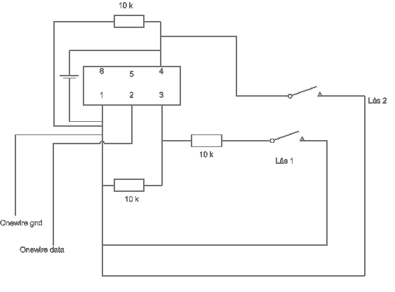
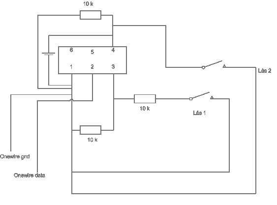
Om man utgår från finkmans bild i början av tråden så var min tanke att koppla in det andra låsets brytare på pin 4, ett motstånd mellan pin 1 och pin 4. Strömförsörjningen borde man väl koppla till pin 4 om jag kan tolka databladet rätt. Det kanske inte behövs några motstånd alls?

- Tänkt kopplingsschema
- ds2406.png (1.19 KiB) Visad 11485 gånger
/Fredrik
Re: Linux, wap och Tellstick
Postat: 29 jul 2008, 00:37
av finkman
Hmm, dedära ser knepigt ut på flera ställen. Till exempel så är ju inte det andra låset kopplat till Pio-B (ben 6) över huvud taget?
Som jag tror att någon påpekade angående mitt tidigare kretsschema (i en annan tråd om jag minns rätt) så blir det säkert lite rolig spänningsdelning på pio-benet, benen i det här fallet, pga. de extra 10k-motstånden direkt mellan pio-benet och jord. Anledningen till denna var för att snabbt dra ner potentialen när brytarna kopplades ifrån. Annars låg chipet och gav slumpmässiga värden ganska lång tid efter att spänningen hade kopplats bort från pio-benet genom brytaren. Det borde väl bli 2,5v på pio-benen när brytarna är slutna, men det räcker uppenbarligen väldigt bra på to92-chippet för att tolkas som hög signal. Byt ut motståndet mellan pio-benen och gnd mot nåt högre så borde väl spänningen över pio-benen bli högre? Om det nu skulle vara problem med för låg spänning dvs..
Såhär skulle jag gjort utifrån vad jag fick att fungera med to92-ds2406. Notera dock att kretsschemat nedan är helt otestat (till skillnad från den tidigt i tråden, som fortfarande är i drift och påminner mig om att jag faktiskt har låst efter mig

) Ska se om jag hinner testa ds2406 tsoc-kretsen framåt slutet på veckan..
Bilden blev knasig

klicka för läsbar version.
Justja, bäst att lägga till att de svarta prylarna är 10kohm-motstånd.
Re: Linux, wap och Tellstick
Postat: 29 jul 2008, 00:49
av finkman
..och till zingo; jag använder nog tokigt blandade mottagare. Har inga problem med räckvidd iom att det känns som att tellsticken har lite längre räckvidd än de vanliga fjärrarna.. Enda störiga som jag märkt är ju att mottagarna stör ut varandra om man har dem för nära varandra.. Vetefasen vad det beror på..
Re: Linux, wap och Tellstick
Postat: 18 sep 2008, 17:27
av elf98
Nu behöver ni inte fundera över egna kretslösningar!
Ett IO-kort med 4 kanaler finns i shoppen:
http://shop.temperatur.nu/iokort-4-kanaler-p-154.html
note1: Visst är det bra att ha ett eget forum med tillåten egenreklam?
note2: ett färdigt kort kanske tar bort lite av tjusningen med det hela?
Re: Linux, wap och Tellstick
Postat: 21 okt 2008, 17:09
av elf98
Och nu verkar Finkmans fina bilder ha försvunnit, Finkman kankse kan lägga in dem direkt på forumet i stället?
Re: Linux, wap och Tellstick
Postat: 21 okt 2008, 22:37
av finkman
Så, tror att det ska fungera nu. Plötslig hårddiskdöd i routern
Ska skicka bilder på ds2413-motsvarigheten på kretsarna vilket år som helst nu,

har inte blivit så mycket tid över till elektroniklabb-brädet på senste :/