Fibaro universal sensor och dörrklocka

Diskussioner runt sensorer med Z-wave.
Sensor går att köpa här: https://www.m.nu/z-wave/sensorer
jge4913
Wannabe
Inlägg: 13
Blev medlem: 30 apr 2014, 10:54
Ort: Huddinge

Fibaro universal sensor och dörrklocka

Inlägg av jge4913 »

Jag vill få in en dörrklocka från Friedland i mitt Z-wavenätverk (Fibaro HC2). Vore mycket tacksam för input om jag har tänkt rätt; se skiss. Med risk för att vara övertydlig: tanken är alltså att ett tryck på Frtiedland-tryckknappen såväl triggar dörrklockan som skickar ett pushmeddelande från HC2 till min telefon.

Edit: har ändrat skissen med hänsyn till de första två kommentarerna.
Bilagor
Zwave_Friedland.png
Senast redigerad av jge4913 den 14 mar 2016, 14:39, redigerad totalt 1 gånger.
Loa46
Wannabe
Inlägg: 8
Blev medlem: 16 feb 2016, 00:39
Ort: Nybro

Re: Fibaro universal sensor och dörrklocka

Inlägg av Loa46 »

Såg direkt ett fel, knappen skall vara inkopplad mellan IN1 och GND, inte IN1 och IN2....
Annars tror jag det borde funka


Skickat från min iPad med Tapatalk
jge4913
Wannabe
Inlägg: 13
Blev medlem: 30 apr 2014, 10:54
Ort: Huddinge

Re: Fibaro universal sensor och dörrklocka

Inlägg av jge4913 »

Ok, tack!
jge4913
Wannabe
Inlägg: 13
Blev medlem: 30 apr 2014, 10:54
Ort: Huddinge

Re: Fibaro universal sensor och dörrklocka

Inlägg av jge4913 »

Ingen risk att jag bränner Fibaro-sensorn? Dörrklockan drivs av en 8V trafo och jag leder ju detta genom OUT 1...
sonnyboy
Hemautomation - det är mer än en hobby
Inlägg: 311
Blev medlem: 25 feb 2011, 21:59
Ort: Västerås

Re: Fibaro universal sensor och dörrklocka

Inlägg av sonnyboy »

Om din trafo är som min så är det ac på den, fibaron ska ha dc! Då kan du inte driva fibaron med den trafon.
BeyondMeasure 1.10
HomeCenter 2
jge4913
Wannabe
Inlägg: 13
Blev medlem: 30 apr 2014, 10:54
Ort: Huddinge

Re: Fibaro universal sensor och dörrklocka

Inlägg av jge4913 »

sonnyboy skrev:Om din trafo är som min så är det ac på den, fibaron ska ha dc! Då kan du inte driva fibaron med den trafon.
Tänkte mig denna:
http://kjell.com/se/sortiment/el-verkty ... 6-w-p44108
jge4913
Wannabe
Inlägg: 13
Blev medlem: 30 apr 2014, 10:54
Ort: Huddinge

Re: Fibaro universal sensor och dörrklocka

Inlägg av jge4913 »

En annan lösning, som också inkluderar Fibaros universalsensor, har föreslagits av "Home Automation for Dummies" (https://homeautomationfordummies.wordpr ... y-pi-zway/), se skiss 2. Eftersom Fibarosensorn är för klen för att på egen hand driva en elektromekanisk dörrklocka, har de stoppat in ett relä som startar när kretsen sluts i Fibarosensorn (dioden är till för att återcirkulera strömmen så att Fibarosensorn inte skadas).

En potentiell lösning är att vänta på Aeotec Aeon Labs Doorbell (http://aeotec.com/z-wave-doorbell). Den verkar dock dröja (möjligen på grund problem med räckvidden mellan knapp och basenhet).

Vesternet erbjuder följande lösning: http://www.vesternet.com/knowledgebase/technical/kb-43

Ytterligare förslag finns här: https://community.smartthings.com/t/a-s ... -rung/6027

Och här: https://community.smartthings.com/t/z-w ... nsor/11512
Bilagor
Zwave_Friedland_2.png
jge4913
Wannabe
Inlägg: 13
Blev medlem: 30 apr 2014, 10:54
Ort: Huddinge

Re: Fibaro universal sensor och dörrklocka

Inlägg av jge4913 »

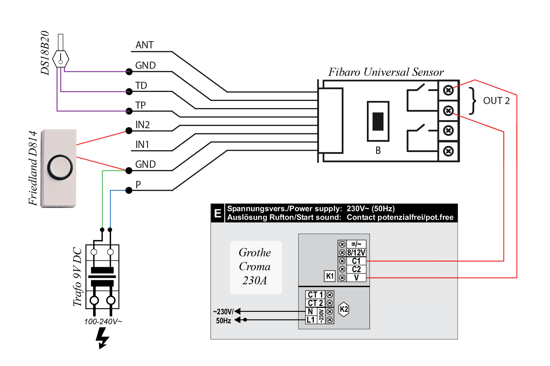
Så här blev det till slut. Notera att man alls inte behöver använda IN2 och OUT2, det bara råkade bli så. Systemet fungerar än så länge klockrent. Det blir ungefär en sekunds fördröjning innan pushmeddelandet från Fibaro HC2 når telefonen. Signalen från dörrklockan kommer dock direkt vid knapptryck.


Delarna är som följer:

1 st "Fibaro Universal Binary Sensor" från Webhallen.
(Den finns även här: https://www.m.nu/universal-sensor-fibaro-p-794.html.)

1 st "Grothe Croma 230A" från Conrad (artikelnummer 431527)

1 st dosa, för koppling och förvaring, också från Conrad (artikelnummer 612984)

1 st Temperatursensor DS18B20 från Kjell & Co (artikelnummer 87893)

1 st ställbar transformator, också från Kjell & Co (artikelnummer 44108).
Den får stå på 9V, annars räcker inte strömmen från trafon.

10 m EKU, från Kjell & Co, samt en Friedland Sesame D814 tryckknapp.
Bilagor
Zwave_Grothe_Croma_230A.png
MickeS
Gillar hemautomation
Inlägg: 33
Blev medlem: 08 nov 2016, 11:44
Ort: Stockholm

Re: Fibaro universal sensor och dörrklocka

Inlägg av MickeS »

hej,

jag har kopplat som ditt senaste schemat.
Men hur ställer man in blockscenen ???
jge4913
Wannabe
Inlägg: 13
Blev medlem: 30 apr 2014, 10:54
Ort: Huddinge

Re: Fibaro universal sensor och dörrklocka

Inlägg av jge4913 »

Hej,
Menar du i controllerns gränssnitt? Det enda jag har gjort, som jag minns det nu (var ett tag sedan!), är att göra valet som visas på bilden i inställningarna för universalsensorn.
Mvh,
Jonas
Bilagor
Doorbell.jpg
Doorbell.jpg (36.37 KiB) Visad 12679 gånger
duckmuck
Wannabe
Inlägg: 5
Blev medlem: 08 dec 2016, 19:14
Ort: Göteborg

Re: Fibaro universal sensor och dörrklocka

Inlägg av duckmuck »

Någon som vet om Fibaro Universal sensor repeterar Z-wave signalen? (Typiskt gör inte batteridrivna enheter detta).

Universalsensorn är ju z-wave och inte (z-wave plus). Är också sugen på fixa en smart dörrklockan, men
samtidigt inte pigg på att sabba z-wave plus.
Skriv svar